logo
SKYLINE INSTRUMENTS CO.,LTD

        지평선 계기 Co., 주식 회사

 

                   우리는 단지 실험실 실험 장비만 제조합니다

제품
VR 쇼
우리 에 관한 것
공장 투어
품질 관리
저희와 연락
견적 요청
제품 소개실험실 실험 장비

디지털 표시 장치 직물 표면 저항력 검사자 EN 1149-1/EN 1149-2 AATCC 76

디지털 표시 장치 직물 표면 저항력 검사자 EN 1149-1/EN 1149-2 AATCC 76

제품 상세 정보:
원래 장소: 중국 동관
브랜드 이름: SKYLINE
모델 번호: YG406A
결제 및 배송 조건:
포장 세부 사항: 판지 상자
배달 시간: 10 일
지불 조건: L/C, D/A, D/P, T/T, 웨스턴 유니온, MoneyGram
공급 능력: 300/월
접촉
상세 제품 설명
표시하다: 3 1/2비트 디지털 디스플레이 상표: 지평선
측정 전압: DC100V 내장 타이머: 시험하게 쉬운 자동적인 독서 자물쇠.
작업 환경 온도: 23℃±1℃, 습도: 25%±5%RH 저항 측정 범위: 2 × 1014Ω
전원 공급 장치 형식: AC 220V, 50HZ 해결: 100Ω
기준: BS EN1149-1:2006, EN1149-2 AATCC 76 등
강조하다:

EN 1149-2 직물 표면 저항률 시험기

,

EN 1149-1 표면 저항률 시험기

,

DC100V 표면 저항률 시험기

직물 표면 저항률 시험기 EN 1149-1/ EN 1149-2 AATCC 76

디지털 표시 장치 직물 표면 저항력 검사자 EN 1149-1/EN 1149-2 AATCC 76 0디지털 표시 장치 직물 표면 저항력 검사자 EN 1149-1/EN 1149-2 AATCC 76 1디지털 표시 장치 직물 표면 저항력 검사자 EN 1149-1/EN 1149-2 AATCC 76 2

소개:

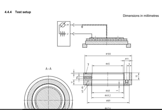
이 장비는 정전기 방지 의류, 다양한 직물, 카펫, 필름 및 기타 절연 재료의 보호 복을 측정하는 데 사용할 수 있습니다. 보호 복 표면 저항 및 지점 간 저항 테스트, 표면 저항의 크기는 테스트를 간접적으로 반영할 수 있습니다. 재료 표면 정전기 누설 시간, 따라서 정적 성능으로 테스트 재료를 반영합니다.

적용 가능한 표준: GB 12014-2019, GB/T 22042-2008, GB/T12703.4-2010, GB/T 1410, FZ/T64013, BS6524, BS EN1149-1:2006, EN1149-2 AATCC 76 등

 

주요 기술 지표

1. 고집적 3 1/2 자리 디스플레이를 채택하십시오.

2. 측정 전압: DC100V

3. 붙박이 타이머: 시험하게 쉬운 자동적인 독서 자물쇠.

4. 작업 환경 온도: 23℃±1℃, 습도: 25%±5%RH

5. 저항 측정 범위는 최대 2 × 1014Ω이며 더 강력한 디지털 계측기의 현재 지점 간 저항 측정 기능입니다.100Ω의 최고 분해능으로 단열재의 체적 저항률 및 표면 저항률 측정에 가장 적합한 장비입니다.

6. 출력 전압은 4종류(100V, 250V, 500V, 1000V)를 기본으로 탑재하고 있습니다.

참고: 또는 4개(10V, 50V, 100V, 500V) 출력 전압,

7. 기기가 안정적인 작동 전압에 있고 1~8시간 사이에 ±5% 미만의 제로 포인트 드리프트 사이에 신호 입력이 없음

8. 기본 오차의 표준 저항 측정 기기: ≤ ± 10%

9. 전원 형식: AC 220V, 50HZ, 소비 전력 30W

 

구성 목록

1. 테스트 호스트 1 세트

2. 점대점 전극 1set(옵션)

표면저항 전극 1set(옵션)

3. 전극 접촉판 1군

4. 절연 패드 보드 1개

5. 전극 거리판 1개

6. 제품 취급 설명서

7. 전원 코드 1

연락처 세부 사항
SKYLINE INSTRUMENTS CO.,LTD

담당자: Charlie

전화 번호: 13310806019

팩스: 86-769-38818154

회사에 직접 문의 보내기 (0 / 3000)

기타 제품